HomeAanbodComplete Mini Dairy factory for Drink Milk, Yoghurt & Cheese Production

Complete Mini Dairy factory for Drink Milk, Yoghurt & Cheese Production

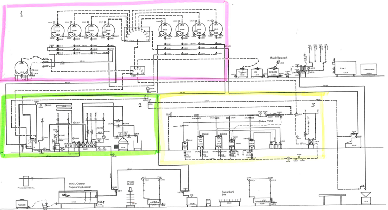
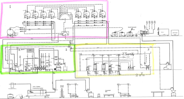
Complete mini dairy factory, suitable to produce drink milk, yoghurt, and cheese, with a total daily capacity of 5,000 – 10,000 liters. 

The line exists out of:

1. Raw Milk Reception & Storage

Reception pump for unloading trucks or containers. Inoxpa RF 20/50 (I193962B), year 2014, impeller Ø118, equipped with F&P flowmeter.

Set of 4 raw milk storage tanks and 4 pasteurized milk storage tanks.      

• Manufacturer: Mueller
• Volumes: 4 x 2,000 liter / 3 x 2,800 liter / 1 x 1,500 liter        

Horizontal, insulated and CIP-cleanable, each fitted with an agitator. Cooling jackets installed (not connected). Raised stainless-steel support feet allow easy connection of milk inlet and outlet piping. 

Central CIP swing-bend panel installed for routing CIP detergent to individual tanks. Including all interconnection piping and valves.

2. Milk Treatment – Pasteurisation & Skimming

Complete semi-automatic milk pasteurizer with a processing capacity of 1,350 litres per hour (input). The system operates through sequential phases including start-up, sterilisation, production, shutdown, and cleaning.

Complete semi-automatic milk pasteurizer with a processing capacity of 1,350 litres per hour (input). The system operates through sequential phases including start-up, sterilisation, production, shutdown, and cleaning.

The skid-mounted pasteurisation unit consists of the following components:

Balance tank stainless steel, equipped with level control using level pins. Centrifugal pump stainless steel with hygienic design. Flow transmitter, capacity indication in litres per hour (L/h). Plate heat exchanger Make: SPXP Model H17 Year 2015. Holding tube for accurate pasteurisation holding time. Control panel, including: Main switch, PLC controller: Siemens S7, Operator panel with colour touch screen. Heating system: Hot water heating medium, including buffer tank and hot water circulation pump. Flow diversion valve pneumatically operated; diverts product automatically if pasteurisation temperature drops below the set point.Temperature sensors PT‑100 sensors installed at product inlet, highest temperature point, and outlet. The complete unit is pre-assembled on a stainless-steel frame, including all interconnecting piping, fittings, valves, and cabling.

Temperature Program: Product temperature cycle: 4 °C → approx. 55 °C (to separator) → 75 / 85 °C → 4 °C. Optional discharge at fermentation temperature: 30–45 °C

Seital SE-12 ASMX 2007 Milk Skimmer Separator Self cleaning. Capacity: 1,350 litres/hour (in line with the pasteurizer) The separator is directly connected to the pasteurizer and is equipped with: cream remix valve for controlled return of cream into the skim milk. Complete with control panel and set of tools.                                                                                                                                    

3. Fully automatic CIP System

5 cleaning tanks:  Lye tank: 1,000 litres, Acid tank: 1,000 litres, Pre rinse tank : 500 litres, Water tank Disinfection tank. Integrated pre rinse recuperated water, circulation pump,filter, heat exchanger, temperature and conductivity transmitters, pneumatic valves with position sensors, complete CIP piping and chemical dosing pumps.

4. Milk and Yoghurt Filling Line

Nimco 650QLAB 1999 Gable top carton filling,capping, and closing machine. Capacity:vMaximum: up to 3,000 cartons/hour. Current setup: 1,500 cartons/hour.                                                                    Format: 0.5 – 1.0 litre A‑style shaped gable‑top cartons (Tetra type)

Machine configuration: Electrically heated, 4‑head piston filler, product hopper, filling valves, PLC control system (A + B), outfeed conveyor, inkjet date coder, cap applicator (mid‑cap suitable for yoghurt, viscous products, and milk) and cap feeder.

Bag‑in‑Box Filler

Bag‑in‑box filling unit with flow transmitter and integrated control system for pre‑formed bags with spout, suitable for 10–20 litre bags for hygienic filling applications.

5. Yoghurt Department

SPX -APV H17  2015 plate heat exchanger 1 section. Inoxpa lobe product pump
Yoghurt Tanks:Tank 1 Volume: 1,200 litres with agitator. Tank 2 & Tank 3 – Transport Containers with manual strirrer used for yoghurt fermentation and transport. Suitable for hygienic handling of fermented yoghurt

Silkeborg Butter Churn 500 litres, producing approximately 125 kg of butter per batch. The butter churn is complete and equipped with: heavy‑duty, robust drive system,  large hatch for easy opening and cleaning, breather valves and safety protection bar.

6. Cheese Department (last in prodution 2022)

Processed products included: Soft cheeses (e.g. Brie / Camembert) Semi‑hard pressed cheeses. Note: The line for semi‑hard cheese is not complete. The curd preparation vat for semi‑hard cheese production is excluded. Curd mould filling and pre‑pressing vessel

Soft Cheese Equipment: curd preparation Vat volume: 1,400 litres, rectangular design with manual cutting knives.

Cheese Storage & Semi‑Hard Cheese Equipment: white storage racks for small cheeses.Dimensions: 77 × 85 × 16 cm. Quantity: 87 units

Semi‑Hard Cheese Equipment (Incomplete Line)

Cheese press 1: Type Staple press with 4 cylinders, suitable for semi‑hard cheeses

Cheese press 2: Mobile table press with 20 pressing cylinders, complete stainless steel construction and suitable for semi‑hard cheese production.

Cheese Moulds & Racks

13 pcs – Large cheese moulds.Dimensions: 34 × 23 cm, complete with lids

8 pcs – Round cheese moulds
Diameter: 28 cm, height: 20 cm, complete with lids

6 pcs – Small cheese moulds
Dimensions: 24 × 17.5 cm, complete with lids

Mould washing bin suitable for cleaning cheese moulds.

Vacuum Packaging Machine

Make: Henkelman

Vacuum packaging machine for pre‑formed bags, suitable for vacuumising and sealing products.

7. Ice Water Unit Preparation Unit

For rapid milk cooling.The unit consists of: insulated buffer tank, freon compressor mounted on top of the tank and ice water circulation pump. Inside the tank, ice is formed around a spiral cooling coil containing the cooling medium. This system produces ice water at approximately 0 °C, used for efficient cooling of milk and dairy products.

Download pdf

Specificaties

Offertenummer
26-18-01
Merk
SPX- APV - Seital - Mueller - Silkeborg
Omschrijving
4 Raw milk storage and 4 pasteurized milk storage tanks
Type
Process equipment
Capaciteit
4 x 2,000 liter / 3 x 2,800 liter / 1 x 1,500 liter
Bouwjaar
2015
Conditie
Excellent
Leveringsvoorwaarden
FCA
Locatie
Sweden
Merk
SPX
Omschrijving
Skid mounted pasteurisation unit
Type
H17
Capaciteit
1350 l/h
Bouwjaar
2015
Serie nummer
524939
Conditie
Excellent
Leveringsvoorwaarden
FCA
Locatie
Sweden
Merk
Seital
Omschrijving
Milk Skimmer Separator Self cleaning
Type
SE 12 ASMX
Capaciteit
1350 l/h (in line with the pasteurizer)
Bouwjaar
2007
Serie nummer
M01072
Conditie
Excellent
Leveringsvoorwaarden
FCA
Merk
Nimco
Omschrijving
Gable top carton filling,capping and closing machine
Type
650QL 4B
Capaciteit
Up to 3.000 cartons per hour
Bouwjaar
1999
Serie nummer
650Ql4B90864199
Conditie
Good
Leveringsvoorwaarden
FCA
Locatie
Sweden

Deze machine aanvragen